15.07.2019, 20:53
Witajcie.
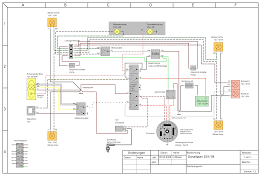
Mój simson stał około 5 lat w garażu. Zabralem się za jego renowację. Okazalo się że jedyny problem, ktorego nie umiem rozwiązać leży po stronie oświetlenia mijania. Miałem spalone wszystkie żarówki podpięte pod krótki obwód świateł mijania cewki swietlnej. Cala instalacja podpieta zgodnie ze schematem.
Napięcie z cewki na jałowych obrotach wynosi od 12V do 16V, po dodaniu gazu wzrasta do około 30V na wysokich (pala się żarówki).
Zauważyłem jedną niepokojącą rzecz - mianowicie stacyjka - w zależności od położenia klyczyka zmienia się napięcie na kablach.
Moje pytanie brzmi: czy cewka daje dobre napiacia? Czy stacyjka ma zwarcie?
Dodam, że nic nie bylo prędzej w nim grzebane. Wydaje mi się, że wszystko jest w nim tak jak w fabryce założyli...
Pozdrawiam.
Mój simson stał około 5 lat w garażu. Zabralem się za jego renowację. Okazalo się że jedyny problem, ktorego nie umiem rozwiązać leży po stronie oświetlenia mijania. Miałem spalone wszystkie żarówki podpięte pod krótki obwód świateł mijania cewki swietlnej. Cala instalacja podpieta zgodnie ze schematem.
Napięcie z cewki na jałowych obrotach wynosi od 12V do 16V, po dodaniu gazu wzrasta do około 30V na wysokich (pala się żarówki).
Zauważyłem jedną niepokojącą rzecz - mianowicie stacyjka - w zależności od położenia klyczyka zmienia się napięcie na kablach.
Moje pytanie brzmi: czy cewka daje dobre napiacia? Czy stacyjka ma zwarcie?
Dodam, że nic nie bylo prędzej w nim grzebane. Wydaje mi się, że wszystko jest w nim tak jak w fabryce założyli...
Pozdrawiam.

